Servis - Razno
- dragvorl
- Site Admin
- Postovi: 25150
- Pridružio se: 06 Jan 2012, 13:03
- Garaža: Fiat Stilo 1.9 MJ
- Lokacija: NS
- Kontakt:
Re: Servis - Razno
Tu je sva sansa da ako se neko uhvati da ce ti sjebati.

Mauro Forghieri:"Power comes from speed, torque without speed is nothing"
Life is funny, skies are sunny, Bees make honey, who needs money
Re: Servis - Razno
Mozda tek 1mm treba da se dotegne, podesi. Malecno lupka u nekim okolnostima, bojim se da ostane tako pa nastrada hidraulicni deo.
Ili da ostavim pa da teram dok se ne pogorsa.
Probao sam sa onim alaotm sto imam ali ne mogu direktno da pridjem, ne mogu ni prst da gurnem bas je tesno.
Mislio sam da neko sa namenskim alatom proba ili ako mora da se skine pa na stolu je onda lagan posao od 5 minuta.
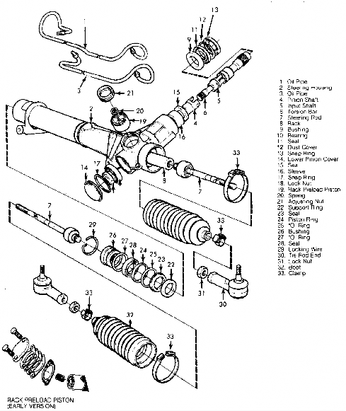
Ova velika "matica" pod brojem 21 treba da se dotegne.
Veroavtno je malo i zapeklo, nije dirano od fabrike 230k+.
Spone na letvi i krajevi spone su bez lufta, provereni tako da sam vizuelnom proverom utvrdio da je u letvi zazor.
Ili da ostavim pa da teram dok se ne pogorsa.
Probao sam sa onim alaotm sto imam ali ne mogu direktno da pridjem, ne mogu ni prst da gurnem bas je tesno.
Mislio sam da neko sa namenskim alatom proba ili ako mora da se skine pa na stolu je onda lagan posao od 5 minuta.
Ova velika "matica" pod brojem 21 treba da se dotegne.
Veroavtno je malo i zapeklo, nije dirano od fabrike 230k+.
Spone na letvi i krajevi spone su bez lufta, provereni tako da sam vizuelnom proverom utvrdio da je u letvi zazor.
- Prikačeni fajlovi
-
- Image_007.png (162.54 KiB) Pogledano 3418 puta
Re: Servis - Razno
Moze li mi neko reci da li je ovo sto skici brava pred krajem ili centralno?
[video][/video]
Poslato sa mog(a) RM-320 koristeći komšijin vajrles
[video][/video]
Poslato sa mog(a) RM-320 koristeći komšijin vajrles
Re: Servis - Razno
Možda brava.
Najgore je svađati se sa budalom. Prvo te spusti na svoj nivo, a onda te dotuče iskustvom...

Re: Servis - Razno
I meni mirise na novu, a menjao sam je pre možda 3 godine za zamensku
. Sada cu da gledam polovnu sa otpada ova nema pojma.
Re: Servis - Razno
Ima li neko DIY ideju kako zalepiti ovu plastiku ispod sedista? Razmisljao sam da probam sa super lepkom u gel varijalti
Poslato sa HUAWEI VNS-L21 uz pomoć Tapatoka

Poslato sa HUAWEI VNS-L21 uz pomoć Tapatoka
Re: Servis - Razno
Neće se to uhvatiti super lepkom, jako je tanka kontaktna površina.
Ako može da se skine ceo deo, staviti "fleku" sa unutrašnje strane koja pokriva veću površinu i zalepiti nekim lepkom koji lepi tu plastiku.
Ako može da se skine ceo deo, staviti "fleku" sa unutrašnje strane koja pokriva veću površinu i zalepiti nekim lepkom koji lepi tu plastiku.
Re: Servis - Razno
Probati kod plastičara?
Re: Servis - Razno
Ja zivim u manjem mestu pa nemam bas sve pogodnosti, ne bih bas da pravim voznju od 100 km zbog te sitnice, bice skuplja dara od mere
Mozda ako bude nekad ispala prilika.
Poslato sa HUAWEI VNS-L21 uz pomoć Tapatoka
Poslato sa HUAWEI VNS-L21 uz pomoć Tapatoka
Re: Servis - Razno
Epilog je bio riknjavanje brave i kupio sam u mojsinju polovnu za 40e. Bilo je seksa dok sam skinuo bravu i zamenio. Trebalo mi je nekih 5 sati da to odradim kako treba.
Ali evo jedne price iz mojsinja. Cale nazvao dan ranije gazdu otpada da pita za cenu brave i kaze mu covek 40e. Ja otisao da kupim ujutru i dolazim na otpad tj. u njihovu garazu i trazim bravu i pitam radnike koliko kosta. Jedan sto je "glavni" medj radnicima sedi i podlaktio se na radni sto i ni pet ni sest kaze 50e. Ja ga gledam i rekoh gazda je rekao juce 40e. On kao "Aaaa. Onda je gazda za tebe ostavio.". Koliko li se oni ugradjuju preko gazde zivo me interesuje.
Poslato sa mog(a) RM-320 koristeći komšijin vajrles
Ali evo jedne price iz mojsinja. Cale nazvao dan ranije gazdu otpada da pita za cenu brave i kaze mu covek 40e. Ja otisao da kupim ujutru i dolazim na otpad tj. u njihovu garazu i trazim bravu i pitam radnike koliko kosta. Jedan sto je "glavni" medj radnicima sedi i podlaktio se na radni sto i ni pet ni sest kaze 50e. Ja ga gledam i rekoh gazda je rekao juce 40e. On kao "Aaaa. Onda je gazda za tebe ostavio.". Koliko li se oni ugradjuju preko gazde zivo me interesuje.
Poslato sa mog(a) RM-320 koristeći komšijin vajrles
- dag81
- Postovi: 7682
- Pridružio se: 13 Jan 2012, 09:09
- Garaža: BMW1 118d i Doblo JTD radna makina :)
- Lokacija: Novi Sad
- Kontakt:
Re: Servis - Razno
Elektricar ti to sredi za 30 sa skidanjem.
Inace treba 30ak min, prvi put kad sam skidao trebalo mi je oko 1h sa vracanjem. Ti si se bas napatio.
Послато са SM-A520F уз помоћ Тапатока
Inace treba 30ak min, prvi put kad sam skidao trebalo mi je oko 1h sa vracanjem. Ti si se bas napatio.
Послато са SM-A520F уз помоћ Тапатока
Re: Servis - Razno
Ma tesno je bilo mesto za bravu sve sam posekao ruke. Jos mi posle padala oba polumesec podloska za cilindar brave i dva puta pao sraf dole u vrata jer nisam imao magnetisani alat. Ali i bio mi je prvi put da rasturam ova vrata 
Poslato sa mog(a) RM-320 koristeći komšijin vajrles

Poslato sa mog(a) RM-320 koristeći komšijin vajrles
- somi-car
- Postovi: 2243
- Pridružio se: 13 Jan 2012, 06:50
- Garaža: Skoda Superb, Opel Combo
- Lokacija: BG
Re: Servis - Razno
Da li neko zna gde se nalazi prekidac u menjacu za parking senzore na peugeotu 607?
Konkretno, imam parking senzore fabricke. Kad ubacim u rikverc vec neko vreme ne pali parking senzore. Ukljucuje rikverc svetla ali senzori ne rade.
Razmisljam da je mozda taj prekidac los pa ih ne ukljucuje ili je mozda neki od senzora riknuo pa ne radi ceo sklop.
Konkretno, imam parking senzore fabricke. Kad ubacim u rikverc vec neko vreme ne pali parking senzore. Ukljucuje rikverc svetla ali senzori ne rade.
Razmisljam da je mozda taj prekidac los pa ih ne ukljucuje ili je mozda neki od senzora riknuo pa ne radi ceo sklop.
- dragvorl
- Site Admin
- Postovi: 25150
- Pridružio se: 06 Jan 2012, 13:03
- Garaža: Fiat Stilo 1.9 MJ
- Lokacija: NS
- Kontakt:
Re: Servis - Razno
Ukucaj u google, mozda je tipican kvar.

Mauro Forghieri:"Power comes from speed, torque without speed is nothing"
Life is funny, skies are sunny, Bees make honey, who needs money
